102小型氟塑(sù)料自吸泵采用增(zēng)強聚丙烯(CFR-PP)一次(cì)注塑成型,機械(xiè)強度高,耐腐蝕性能強,自(zì)吸泵結構上有獨具一(yī)格的科學性,泵腔內設有吸液室、儲液室(shì)、回液止回閥、氣液(yè)分離室、回流孔。隻需(xū)在開機前灌引液(yè),以後不必重複灌注引液(yè),在吸送介質時,液體(tǐ)可時斷時續,斷(duàn)液15分鍾內來液可(kě)繼續吸送,機械密封不需另加冷卻水冷卻,操作簡(jiǎn)便、安全無(wú)泄漏,是取代液下泵產品。CFR-PP材質:無毒、無汙染、耐一般酸堿鹽類,工作溫度(dù)-14℃~80℃。

102型塑料自(zì)吸泵產品用途:
102小型自吸泵主要用於輸送酸,堿(jiǎn),鹽等腐蝕性液體,但不得(dé)用於輸送若幹對ABS工程(chéng)塑料有顯著作用的化學品(pǐn),如芳烴、脂肪烴的鹵素(sù)衍生物,酮類及濃酸堿等。
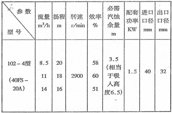
102小型(xíng)耐酸堿自吸泵具有體積小、重量輕、結構簡單、使用方(fāng)便、效率高,價(jià)格低。泵體內腔(qiāng)光滑,葉輪為閉式,采用機械密封和耐橡膠圈密(mì)封等二(èr)種,全軸為不鏽鋼用套筒式連接。輸送介質溫度為-20℃~80℃,流量:2.5-50m3/h 揚程:7-30m轉速2900r/min。